
Раздел 4. Рабочие чертежи
ГР № 5. Чтение и исправлениие чертежей
Цель работы: сформировать умения по обнаружению на чертеже ошибок, закрепить умение чтения чертежа, знания по обозначению разрезов и условному обозначению резьбы.
Условие: на листе формата А4 в масштабе 1:1 выполнить чертеж детали с исправлением допущенных графических ошибок. Нанести размеры на чертеж.
Пояснения к выполнению задания
1. Выполнить анализ формы детали, найти графические ошибки чертежа.
2. Вычертить наружный и внутренний контуры изображения, откладывая размеры относительно осевых линий. Построить изображение резьбы, скругления (сопряжения) углов, имеющиеся на чертеже.
3. На фронтальной проекции выполнить штриховку продольного разреза.
4. Оформить чертеж: нанести размеры, обвести чертеж линиями, установленными стандартом, заполнить основную надпись, соблюдая начертания букв, цифр и знаков. Наименование изделия указано для каждого варианта.
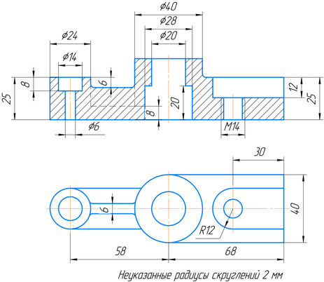
На примере в учебных целях допущены следующие графические ошибки:
на фронтальном разрезе:
1. заштриховано ребро жесткости, попавшее в продольный разрез;
2. пропущена линия, ограничивающая слева проточку ø 36;
на виде слева:
1. отсутствует дуга, соответствующая наружному диаметру резьбы;
2. пропущена окружность ø 14;
3. пропущена окружность, соответствующая фаске 2х450;
4. отсутствует линия при основании.
Пример графического задания

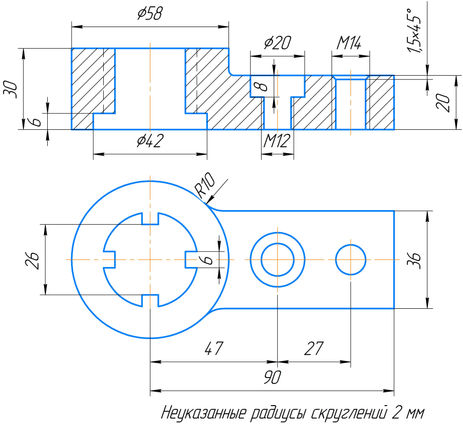
Выполнение графического задания










